进口气动压力调节阀是怎样操作工作控制压力的
进口气动压力调节阀的工作原理是什么
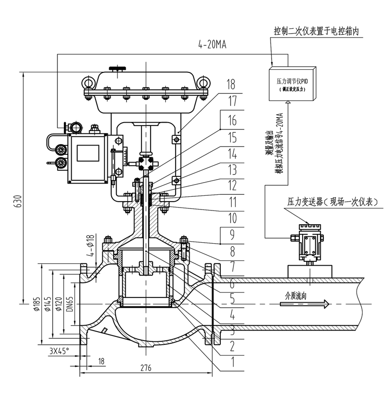
德国沃德WODE阀门公司开发设计的气动压力控制系统,是由气动调节阀、压力变送器、压力调节仪(PID调节仪)组成,可以完成现代工业过程中对管道压力的全自动控制。具有安装方便、响应快、控制精度高、整定方便、性能可靠、压差高等特点。广泛适用于化工、食品、生物医药、环保、冶金、给排水、造纸、电力等行业。
气动压力调节阀的核心工作原理:它本质上是一个带负反馈的自动控制系统,其核心目标是:无论管道内的流量或上游压力如何波动,都能将下游(或特定点)的压力精确稳定在您所设定的值上。

步骤拆解与详解
1. 设定与输入
设定值:您在控制系统(如DCS或PLC)中设定一个希望达到的压力目标值。
控制信号:控制系统将设定值与现场压力变送器反馈的实际压力值进行比较、计算(PID运算),最终输出一个4-20mA的电流信号给调节阀的电气阀门定位器。
2. 信号转换与放大
定位器(大脑):接收到4-20mA电信号后,定位器将其理解为阀门的“目标开度”指令(例如,12mA对应50%开度)。
位置检测:定位器通过一个机械连杆或非接触式传感器,实时监测阀门阀杆的实际位置。
比较与输出:定位器比较“目标开度”和“实际开度”。
如果实际开度小于目标(阀门开得不够),定位器会输出一股增压气流到执行机构。
如果实际开度大于目标(阀门开得过大),定位器会输出一股排气信号,排出执行机构内的气体。
3. 动力驱动
执行机构(肌肉):通常是薄膜式或活塞式气缸。
当来自定位器的控制气压增加时,气压作用在薄膜或活塞上,产生推力,推动阀杆向下运动。
当控制气压减小时,弹簧的反作用力(或另一侧的气压)推动阀杆向上运动。
4. 流量与压力调节
阀芯阀座(咽喉):阀杆末端连接着阀芯。阀杆的运动带动阀芯相对于阀座移动。
阀芯下移 → 阀门开度减小 → 流道面积变小 → 流体通过时的阻力(压降)增大。
阀芯上移 → 阀门开度增大 → 流道面积变大 → 流体通过时的阻力(压降)减小。
核心原理:调节阀就是通过精确控制这个开度,来制造一个“可变的阻力”,从而消耗掉多余的压力,最终使阀门下游的压力(P2) 稳定在设定值。如果下游压力偏低,阀门就开大一点,减少压降;如果下游压力偏高,阀门就关小一点,增加压降。
5. 闭环与稳定

这是一个连续的、闭环的负反馈过程:
下游压力变化 → 压力变送器检测到 → 控制系统计算新指令 → 定位器收到新信号。
定位器驱动执行机构动作 → 改变阀门开度 → 影响下游压力。
下游压力趋向设定值 → 系统达到新的动态平衡。
阀门内部自身的机械反馈杆确保了定位器能快速、准确地知道阀杆的每一个微小移动,从而实现高精度定位。
总结与比喻
您可以将进口气动压力调节阀想象成一个智能的、自动控制的水龙头:
您的期望(设定值):保持水杯里的水位(下游压力)恒定在某一高度。
您的大脑(控制系统+定位器):眼睛看着水位(压力反馈),对比期望水位。
您的手(执行机构):如果水位低了,就拧大水龙头(开大阀门);如果水位高了,就关小水龙头(关小阀门)。
水龙头阀芯(阀芯阀座):直接控制着水流大小。
整个系统在秒级甚至毫秒级的时间内不断进行“检测 → 比较 → 调整”的循环,从而实现压力的精确、自动、连续调节。其卓越的性能(精度、可靠性、响应速度)正是源于高品质的机械加工、精密的定位器技术和稳定的执行机构设计。
- 上一篇:没有啦
- 下一篇:进口气动压力调节阀是配套哪些附件组成 2026/4/16
