进口气动压力调节阀是配套哪些附件组成
进口气动压力调节阀是配套哪些附件组成
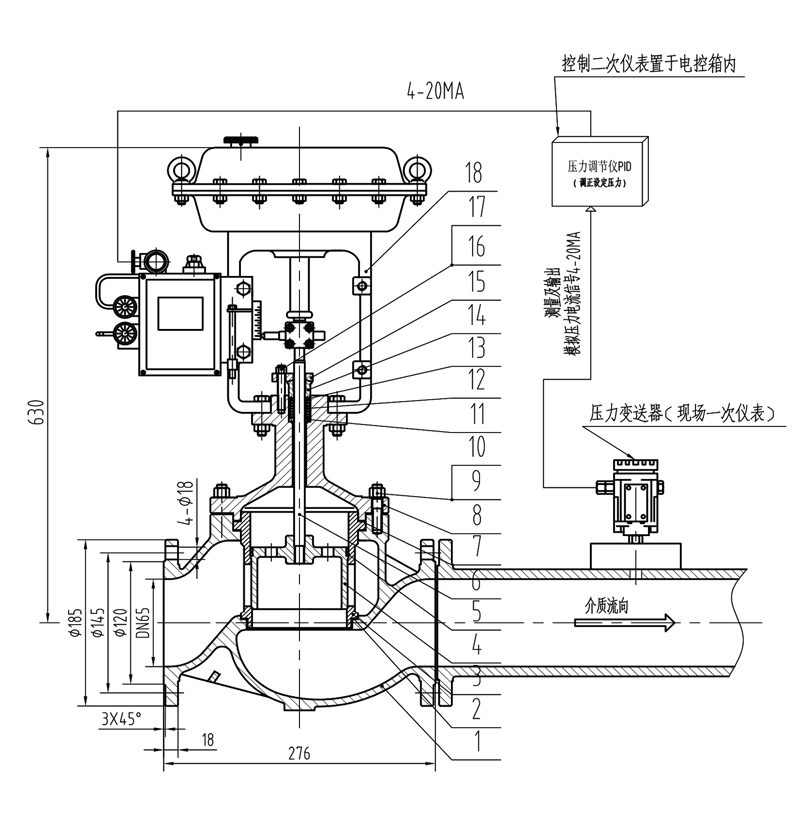
德国沃德WODE阀门公司开发设计的气动压力控制系统,是由气动调节阀、压力变送器、压力调节仪(PID调节仪)组成,可以完成现代工业过程中对管道压力的全自动控制。具有安装方便、响应快、控制精度高、整定方便、性能可靠、压差高等特点。广泛适用于化工、食品、生物医药、环保、冶金、给排水、造纸、电力等行业。
完整可靠、能投入实际运行的进口气动压力调节阀系统,远不止阀体和执行器本身,它需要一系列附件协同工作。

这些附件根据功能,可以划分为以下几个核心类别:
一、 气源处理与动力附件
这是阀门正常工作的“生命线”,确保动力气源的品质。
过滤减压阀(气动三联件中的核心):
作用:过滤压缩空气中的水分、油污和颗粒;将波动的工厂气源压力(如0.4-0.8 MPa)稳定地减压到阀门所需的工作压力(如0.14-0.4 MPa)。
重要性:最关键的附件之一。不洁净、不稳定的气源是导致定位器堵塞、膜片损坏、阀门动作卡涩的罪魁祸首。
空气安全阀/快排阀:
作用:在紧急情况下(如失气),快速排空执行机构内的气体,使阀门按预设的安全位置(全开或全关)动作,确保工艺安全。
重要性:关乎安全仪表系统,在故障安全设计中必不可少。
二、 控制与核心附件
这是阀门的大脑和神经,实现精确控制。
电气阀门定位器:
作用:接收控制系统(DCS/PLC)发出的4-20mA控制信号,并精确成比例地输出气压给执行机构,从而精准定位阀芯开度。
智能定位器:现代系统的标配,除了基本定位功能,还具备数字通信(HART/FF/PA)、自诊断(监测行程、摩擦力、气压)、阀门特性修正、数据记录等高级功能。它是保证控制精度和实现预测性维护的核心。
电磁阀:
作用:接收电信号,快速通断气路。通常用于:
实现阀门的两位式开关控制。
在安全联锁系统中,作为紧急切断的触发元件(ESD阀)。
气动放大器/增速器:
作用:当阀门口径大、执行机构容积大或需要快速响应时,定位器输出的小流量气源可能充排气太慢。放大器可以快速提供大流量空气,显著提高阀门的响应速度。
三、 监测与反馈附件
这是阀门的“感官”,用于状态监测和系统反馈。
阀位变送器/反馈装置:
作用:将阀杆的实际机械位置(0-100%)转换为4-20mA信号或数字信号,反馈给控制系统,用于远程监控阀门的真实开度。
注意:很多智能定位器已集成此功能。
限位开关(机械式/接近式):
作用:当阀门到达全开或全关位置时,发出一个开关量信号(干触点),用于联锁报警或顺序控制,例如:“阀门已完全打开,允许启动泵”。
压力表/压力传感器:
作用:安装在气源管路上或执行机构气室,直观显示气源压力和控制气压,便于现场调试和故障诊断。
四、 操作与安全附件
用于现场操作和特殊情况处理。
手轮机构:
作用:在断电、断气或调试时,允许操作员手动操作阀门。分为侧装式和顶装式。侧装式可在自动模式下直接手动干预(需注意安全),顶装式通常需要脱离自动模式才能使用。
重要性:对于关键工艺点,是保证操作连续性的重要备用手段。
锁位器/保位阀:
作用:当气源故障时,自动锁死执行机构气室内的压力,使阀门保持在故障瞬间的位置,而不是全开或全关。适用于一些允许短时保持的工艺。
典型成套配置示例
一个用于高精度连续压力调节的进口阀典型配置可能是:
气源端:工厂气源 → 过滤减压阀 → (气路管)
控制与执行端:控制信号 (4-20mA) → 智能电气阀门定位器 (接收信号,并可能集成了阀位反馈) → 气路 → 气动放大器(如需要)→ 气动执行机构
安全与监测端:
执行机构上安装 手轮机构。
气路上安装 压力表。
阀门转轴上安装 机械限位开关。
在安全仪表回路中,气路上还会串联 电磁阀 和 快排阀。
综上所述:在选择进口阀门时,附件与阀门本体同等重要。务必根据您的具体工艺控制要求、安全完整性等级和安全联锁需求,与供应商工程师详细讨论附件的配置方案。一个合理的附件组合,是确保阀门长期稳定、精确、安全运行的关键。
- 上一篇:进口气动压力调节阀是怎样操作工作控制压力的 2026/4/16
- 下一篇:进口气动薄膜三通调节阀怎样混合比例调节控制 2026/4/7
